Hotline:+86 18520880457, +86 755 61808681 


Home > Products > Folder Gluer Machine > KSHH-800/1200/1400/1600/1800B Automatic Corrugated Paperboard Folder Gluer
Product Categories
More >>  Certifications
CE iso
More >>  Contact Us
  • Email : kinsda@kinsda.cn
  • Phone :  +86 755 61808681
  • Fax : +86 755 61808682
  • Address : No.18, High-tech Industry Park, Longgang District, Shenzhen, China
More >>  Chat Now!
KSHH-800/1200/1400/1600/1800B Automatic Corrugated Paperboard Folder Gluer
  • KSHH-800/1200/1400/1600/1800B Automatic Corrugated Paperboard Folder Gluer
  Product Description

◆Features and Applications:

KSHH-800/12001400/1600/1800B High Speed Automatic Corrugated Paper Folder Gluer Use imported electrical appliances, and accessories for export with a rubber roller Paper can be pressed together by the processes as well as possesses the features of beautiful modeling, high speed and can made more wide boxes etc. Which can paste and manufacture from Widely uses in paste process for medicine box, wine box, cosmetics box and electric equipment package etc., It’s essential equipment in packing printing industry.

Main Specifications:


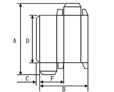
KSHH-800B

Type of boxes

A Max.

A Min.

B Max.

B Min.

C Min.

D Min.

F Min.

Box

700 mm

70 mm

520 mm

70 mm

8 mm

70 mm

35 mm

KSHH-1200B

Type of boxes

A Max.

A Min.

B Max.

B Min.

C Min.

D Min.

F Min.

Box

700 mm

70 mm

790 mm

110 mm

8 mm

70 mm

51 mm

KSHH-1400B

Type of boxes

A Max.

A Min.

B Max.

B Min.

C Min.

D Min.

F Min.

Box

1200 mm

70 mm

1020 mm

160 mm

12 mm

60 mm

81 mm

KSHH-1600B

Type of boxes

A Max.

A Min.

B Max.

B Min.

C Min.

D Min.

F Min.

Box

1200 mm

70 mm

1200 mm

160 mm

12 mm

60 mm

81 mm

KSHH-1800B

Type of boxes

A Max.

A Min.

B Max.

B Min.

C Min.

D Min.

F Min.

Box

1200 mm

70 mm

1400 mm

160 mm

12 mm

60 mm

81 mm




Technical Specification

Max. Linear Velocity

0~220 m/min

Suitable Paper Quality

220~800 g/m2 Cardboard and F, E, C Flute Paper

Paste Box Basic Form

One Side Edge Pastes, Two Sides Edge Pastes

Feeding Way

Automatically and Continuously Feeding

Adhesive

Solute Type

Needed Power

AC220V, 7Kw

Weight

2200 Kg

Dimension

7000×1650/1850/2100×1300 mm

The Scope of Count

0~999999

Copyright ©2002- 2014 Shenzhen Kinsda Packaging Machinery Co., Ltd.  All rights reserved